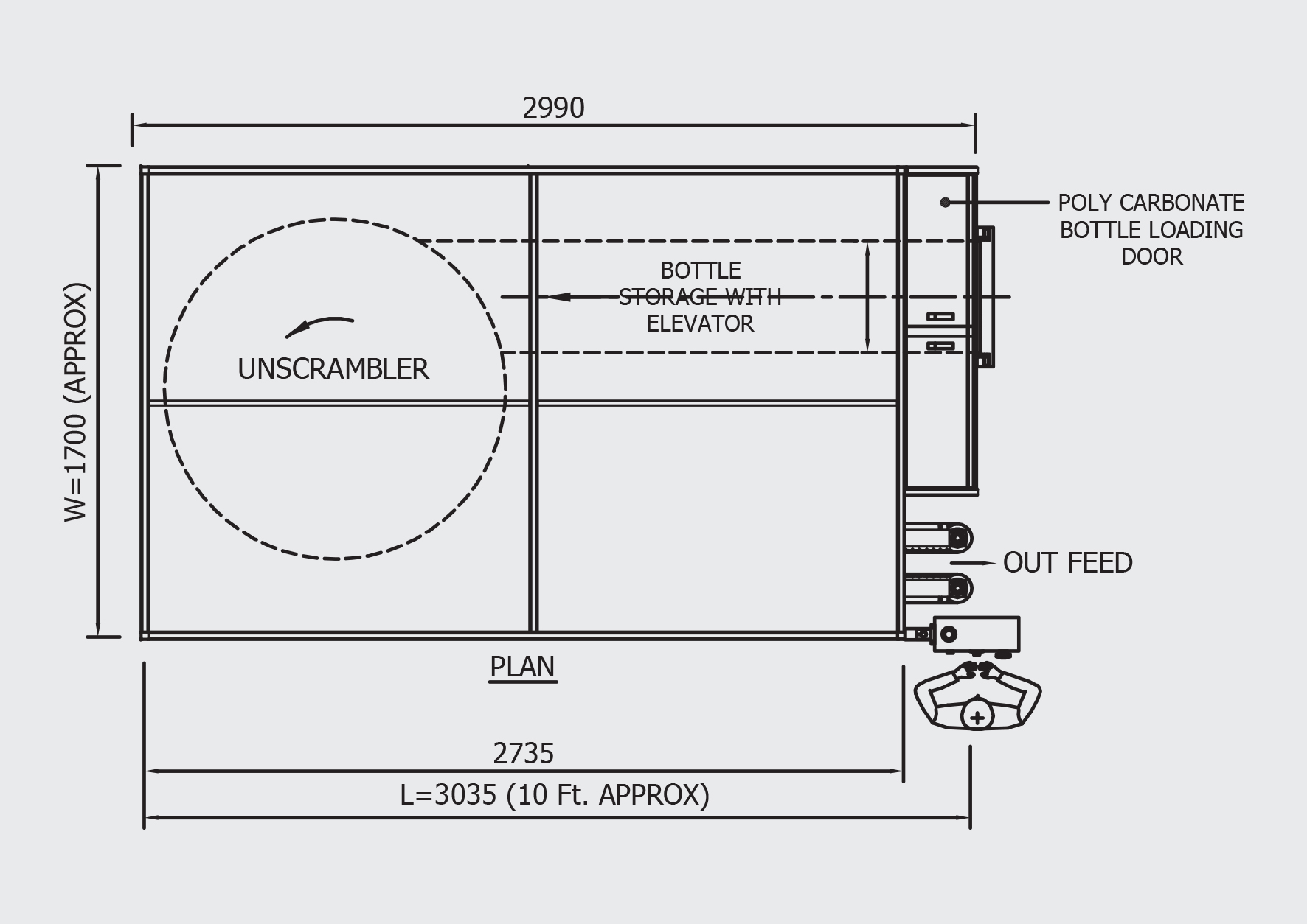
AUTOMATIC BOTTLE UNSCRAMBLER

  • Maharshi automatic bottle unscrambler is the GMP standard machine to provide the loading solution for any shape and size of empty container on to the packing line conveyor in the upright position in correct orientation.
  • It is completely designed as per the size and shape of the bottles and jars. The speed of the machine varies with the shape and size of the containers.
  • Changeover from one size of the container to another is very easy and simple. It can work with any shape like round , oval square etc.
  • The speed goes upto 300BPM depending on the size and shape. It is custom designed, so no changeoverprarts with the change in bottle result-ing in making the changeovers easy and fast.
  • Machine chassis is built on complete stainless steel 304. The contact parts with the bottles are made with such a design that prevents scratches or any Kind of damage on the bottle.
  • Machine is with touchscreen HMI which helps an operator to quickly change all the parameters for the changeover with touch of a button. machine comes with acrylic safety guard. Unscrambler works with all kinds of bottles such as PET, HDPE, TIN etc, of any shape.

Read more

SALIENT FEATURES:

  • No changeover parts at bottle changing which provides minimum time for bottle change.
  • Robust and vibration free construction.
  • High Speed and fully Automated.
  • Low noise level at higher speed.
  • Arrangement for ionized air cleaning can be provided.
  • Optional PLC & Touch Screen HMI can be provided with recipe management.
  • Contact parts are resistant to flaking, chipping, scuffing so will not cause any cosmetic damage to containers.

OPTIONAL FEATURES :

  • Elevator speed control sensor.
  • Auto feedback of speed from feeling machine at every minute.
  • Acrylic or Polycarbonate enclosure with frame.
  • Online ionized air cleaning.
  • Accumulation conveyor of unscrambled containers.
  • Container counting.

Book a Demo