HIGH SPEED VIAL LABELLING

VSC HS V
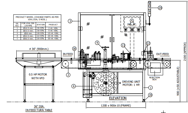
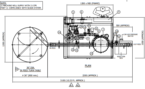
These models are used to apply labels on Tubular & Moulded Vials and other thin Dia. Containers vertically at very high speed of 200 – 300 – 400 containers / min. the Highest speed ever offered in India

DIGITAL SERVO TECHNOLOGY
Machine comes with servo technology to get highest accuracy at high speed.

CHANGE PARTS
The Special design has made it’s operation jerk-less and smooth, which has reduced the breakage to virtually zero. With the help of change parts, variety of sizes can be accommodated in the machine.

SPEED
The machine operates at the speed of 200/300/400 containers/min. (depending upon the label length).

TOOL LESS OPERATION
All The adjustments are on jack mechanism making it virtually tool less and ease of operation.

PRECISE AND ACCURATE LABELLING
Machine comes with Starwheel along with wrap around assembly for precise labelling with no skew up/down at highest speeds.

ONE TOUCH SPEED SYNCHRONIZATION.
Complete machine is synchronized with one touch speed to increase/decrease speed of entire machine along with label applicators for ease of use.

SAFTEY
Machine comes with Safety Cabinet With Acrylic Covers & Imported Aluminum Profile with Interlocking. In case of Door open, Machine will be Stop.

AUTOMATION
Machine can be opted with automation features like Industrial PC with In-house developed basic software with all the functionality / software with 21 CFR PART 11 Compliant & Scada system with graphical integration.
Thermal inkjet printer to print variable data on each & every label at high speeds Camera systems to detect any defects in the printing online at high speeds.

Camera is also suitable 2D Data Matrix code, RSS code, OCV/OCR, Barcode & Pharmacode.
Online rejection system with the rejection bin.

COMPACT DESIGN
Machine is built with all the above features yet running at highest speeds with keeping in mind the compact footprint.

Read more

Speed 200 / 300 / 400 CPM
Label Height 95  mm.
Dispenser Moter Stepper/Servo
Stop Tolerance +/- 0.5 to 0.75 mm (servo)
0.75 to 1.00 mm (stepper)
Roll Dia 350 mm std. & 550 mm (optional)
HMI Feather touch keypad (std.) Touch HMI or Ind. PC (optional)

Book a Demo